KENWOOD TS-50.
|
MENU :

|
|
Retour page radio.
Retour page d'accueil principale.
CARACTERISTIQUES DE CE TRANSCEIVER :
- Récepteur à couverture générale 30 KHz à 30 MHz
- Emetteur bandes RadioAmateurs 1,8 - 3,5 - 7 - 10 - 14 - 18 - 21 - 24 et 28 MHz
- Double VFO
- SPLIT
- Puissances d'émission de 10W, 50W et 100W en CW, SSB et FM
- Puissances d'émission de 5,5W, 17W et 25W en AM
- Modes CW, LSB, USB, AM et FM
- Double conversion en CW, SSB et AM (10,695 MHz et 73,045 MHz)
- Triple conversion en FM (455 KHz 10,695 MHz et 73,045 MHz)
- Sélectivité CW et SSB: >2,2KHz à -6dB et <4,8KHz à -60dB
- Sélectivité AM: >2,2KHz à -6dB et <4,8KHz à -60dB
ou >5KHz à -6dB et <40KHz à -60dB
- Sélectivité FM: >12KHz à -6dB et <25KHz à -60dB
- Filtre 500 Hz optionnel (YK-107C )
- Commande de déplacement de la FI (IF SHIFT)
- Atténuateur 20dB
- AIP (Point d'Interception Avancé) pour limiter les interférences et distorsions
- Commande CW-R (CW inverse pour éliminer certains signaux interférents)
- Antiparasite NB
- AGC fast/slow
- 100 mémoires
- Balayage des mémoires ou de fréquences
- RIT +/-1,1 KHz ou +/-2,2 KHz suivant choix menu
- Nombreux menus permettant de programmer différentes fonctions ou options
- Les 4 touches du micro MC-47 sont programmables
- Alimentation 13,5V / 20,5A maxi.

LE FILTRE YK107C:
C'est un filtre bande étroite 500 Hz utilisable en CW, RTTY...
Il faut démonter le couvercle supérieur :

Puis dévisser la platine FI :
-

Vous pouvez ensuite souder soigneusement votre filtre et remonter la platine :

-
-

LE MICRO MC47:


BROCHAGE DE LA PRISE MICRO :
Vue de la face avant du TS-50
|
 |

INTERFACE AUDIO PC AVEC VOX :
Cette interface permet de connecter la carte son de votre ordinateur sur la prise
micro du TS-50 afin de pouvoir communiquer dans différents modes digitaux.
L'option VOX, très efficace et ajustable permet de passer automatiquement le TS-50 en émission lorsqu'un son est émis par l'ordinateur.
Une prise femelle est câblée broche à broche afin de pouvoir y connecter le microphone.
Un interrupteur permet de basculer l'audio + PTT sur la carte son de l'ordinateur ou sur le microphone.
MISE EN GARDE :
Lorsque vous n'émettez pas dans des modes digitaux, basculer l'interrupteur sur la
position micro, afin de ne pas déclencher intempestivement l'émetteur avec des sons émis par l'ordinateur...
Le schéma est relativement simple:
 |
La partie haute du schéma (RX) sert uniquement à la réception. Les signaux issus de
la broche 6 sont envoyés dans l'entrée audio de votre ordinateur (MIC, LINE IN...)
et le potentiomètre permet d'ajuster le niveau du signal afin d'éviter les saturations.
La partie centrale du schéma (TX) sert uniquement à l'émission. Le signal audio de la carte
son (HP, LINE OUT...) est envoyé sur la broche 1 après un léger filtrage et un réglage par le
potentiomètre.
La partie basse du schéma (VOX) est optionnelle, et utilisée uniquement pour commander
le passage en émission (PTT). Un circuit TL071 ou équivalent est alimenté par la broche 5
du TS-50 (+8V). La première moitié du TL071 est montée en amplificateur et la seconde
moitié en comparateur. Le potentiomètre permet d'ajuster le seuil de déclenchement.
Le transistor pilote directement la broche 2 du TS-50 (PTT).
|
 |
Etant donné la simplicité du schéma, tous les composants sont soudés sur
une plaquette pastillée et les différents éléments. |
 |
La prise jack stéréo 3,5mm de sortie audio (RX) est fixée à l'arrière du boîtier,
par manque de place mais aussi pour ne pas la confondre avec l'autre prise. |
 |
La face avant est composée des éléments suivants:
- le câble avec une prise femelle 8 broches, connectée sur le TS-50
- la prise mâle 8 broches pour le microphone
|
 |
- une LED rouge indiquant le passage en émission ("ON AIR")
- un prise jack mono 2,5mm (PTT) pour commander l'émission par une tension positive
(port série, pile...)
- une prise jack stéréo 3,5mm (TX) pour connecter la sortie audio de l'ordinateur
- un interrupteur commutant le micro ou l'ordinateur.
Les 3 potentiomètres ajustables sont situés sur le dessus du coffret. |
QUELQUES CONSEILS :
- Utiliser un coffret métallique.
- Connecter toutes les masses ensembles et tous les appareils à la terre (équipotentialité).
- Lors des essais, et réglages des potentiomètres "modulation TX", "VOX" utiliser
une charge de 50 Ohms.
- Lorsque le montage n'est pas utilisé, basculer l'interrupteur sur la position "MICRO"
ou enficher une prise jack mâle 2,5mm dans l'entrée PTT, afin de neutraliser le VOX.
Remarque :
le potentiomètre de volume du TS-50 ajuste le niveau du Haut-Parleur, mais aussi celui
de la broche 6 de la prise microphone, pensez-y...

CONSEILS D'UTILISATION MODES DIGITAUX :
En RTTY, votre logiciel sera principalement configuré en mode BAUDOT, 45 Bauds, Shift 170 Hz, REVERSE.
Le TS-50 doit être alors en position LSB.
Utiliser de préférence la puissance de 50W ou de 10W afin de ne pas faire chauffer l'amplificateur de puissance HF.
Le filtre 500Hz YK-107C est vraiment bienvenu en réception...

CONNECTEUR ALIMENTATION 12V :
L'alimentation optimale du TS-50 est de 13,8V +/-15%.
Sa consommation donnée est d'environ 20,5A (et 22,5A avec le tuner AT-50) à puissance maxi de 100W.
(D'après la notice constructeur le TS50 passe automatiquement en protection si l'alimentation dépasse les 18V).
Le câble d'alimentation PG-2Y de 4m est équipé de 2 fusibles de 25A (câble de 2m : référence PG-2X).

AFFICHAGE DES DIZAINES DE HERTZ ET HERTZ SUR 2 DIGITS :
C'est tout à fait possible, sur les 2 digits de droite utilisés pour le RIT ou le numéro de mémoire.
(Par contre, méfiance, dans ce mode vous perdez l'affichage du RIT...)
Manipulations à effectuer :
- Appuyer sur F.LOCK durant 1 seconde afin d'entrer dans le menu.
- Choisir le menu B à l'aide de la touche A/B.
- Tourner le bouton des stations jusqu'au menu numéro 70.
- A l'aide des touches DOWN ou UP, choisir la valeur 85.
- Appuyer sur F.LOCK pour sortir du menu.
- Appuyer de nouveau sur F.LOCK pour verrouiller le poste (F.LOCK s'allume en haut à droite).
- Maintenir le bouton No 4 du MICRO (à droite) et appuyer sur la touche SPLIT en même temps.
- Relâcher le bouton 4 puis la touche SPLIT.
- Appuyer de nouveau sur F.LOCK pour déverrouiller le poste (F.LOCK s'éteint).
- C'est terminé ! En tournant le bouton des stations, les 2 digits de droite indiqueront alors les dizaines de Hertz et Hertz :

Remarque :
Le menu étant configuré de cette façon, si vous venez à perdre cet affichage, vous pouvez reprendre directement au point numéro 6.

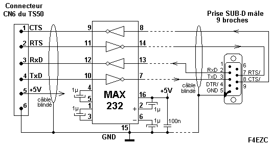
INTERFACE DE COMMUNICATION RS-232 :
 |
Un connecteur "CN6" permet de recevoir
une interface RS-232 des plus classiques,
avec par exemple un circuit MAX-232 :
|
(Broche 1 à gauche) |
Voici son brochage :
- Broche 1 = CTS
- Broche 2 = RTS
- Broche 3 = RxD
- Broche 4 = TxD
- Broche 5 = +5V
- Broche 6 = GND
|
Dimensions approximatives du connecteur
interne au pas de 1,5mm :
 |
Schéma de l'interface RS-232 :
(Utiliser un cordon RS-232 croisé pour connecter l'interface à un ordinateur).
CONFIGURATION RS-232 DE L'ORDINATEUR ET ESSAIS :
4800 Bauds / 8 bits de data / Pas de parité (none) / 2 bits de stop.
Avec par exemple le terminal de Windows, tapez : FA;
le TS-50 vous renvoie alors la valeur de sa fréquence (en Hz).
A l'inverse, si vous tapez FA 0007014500;
le TS-50 change alors sa fréquence à 7,0145 MHz.

INTERFACE DE COMMUNICATION RS-232 - MONTAGE D'UN CORDON INTERNE :
(Attention : opérations délicates...)
Le principe consiste à déporter le connecteur RS232 interne (CN6) sur une prise extérieure.
Se munir d'une prise DIN 7 ou 8 broches et d'un câble blindé d'au moins 5 fils + blindage (par exemple un câble réseau informatique).
(Conseil: utilisez un câble 8 fils et une prise DIN 8 broches, vous aurez alors 2 fils de réserve).
- Démonter le capot supérieur.
- Soulever la platine filtre HF (retirer le câble nappe et le cordon coaxial, dévisser les 4 vis).
- Déclipser le connecteur alimentation et démonter le circuit imprimé du dessous (2 clips + 2 vis).
- Percer le trou du diamètre du câble à passer comme sur la photo. Attention à la limaille de fer ! Bien nettoyer.
- Remonter la plaquette, les 2 vis et les 2 clips, passer le câble blindé dans le trou.
Remonter le connecteur alimentation. Remonter la platine filtre, les 4 vis, le câble nappe et le câble coaxial.

- Découper le connecteur CN6 et plier délicatement les 6 broches à 45º.

- Souder le nouveau câble sur le connecteur CN6, isoler les connexions. Fixer le câble avec une languette (cosse coeur repliée). Isoler les fils non utilisés.

- A l'autre extrémité du câble, souder une prise DIN 7 broches suivant le schéma ci-dessous. Afin d'éviter toute confusion,
les numéros de broches sont les mêmes que les numéros du connecteur CN6.
 |
Désormais le câble RS232 est accessible
facilement avec sa prise DIN:
|
- OPTION PTT :
Si vous souhaitez sortir le signal de commande PTT, connectez la broche 7 de la prise DIN à la broche 2 de la prise micro du TS-50 côté circuit imprimé :

Pile de sauvegarde des données :
Tension 3V, modèle CR2430 à souder.

Réglage du volume des "BIPS" (VR6) et monitoring CW (VR5 SIDE TONE):
Ces 2 potentiomètres ajustables sont situés sous le haut-parleur.

QUELQUES PHOTOGRAPHIES :
-
-
-
-
-
-

ESSAI MATERIEL :
MEGAHERTZ MAGAZINE No 124 Juin 1993 pages 20 à 23 -
(avec l'aimable autorisation de la rédaction)
« KENWOOD TS-50S: LE PLUS PETIT DES DECA » :
MEGAHERTZ MAGAZINE No 139 Septembre 1994 pages 26 à 28 -
(avec l'aimable autorisation de la rédaction)
« RETOUR SUR LE KENWOOD TS-50S » :

Le TS-50 en COUVERTURE DU No 124
de MEGAHERTZ MAGAZINE (Juin 1993)
(avec l'aimable autorisation de la rédaction)
MHz124couv.jpg (90 Ko)
|
|
ANCIENES PUBLICITES DE 1993 :

AT-50, coupleur automatique d'antennes :
Compagnon idéal du TS-50, en fixe ou en portable, ce coupleur protège idéalement l'émetteur sur des antennes mal adaptées.
Une pression sur la touche "AT TUNE" du TS-50 et le coupleur se cale en quelques secondes.
Les 2 moteurs pilotés par CPU tournent les 2 condensateurs variables afin de rechercher un ROS correct.
Les positions sont ensuite mémorisées pour chaque bande (1,8 / 3,5 / 7 / 10 /14 / 18 / 21 /24,5 / 28 MHz).
Ce matériel, connecté au TS-50 fonctionne en automatique avec le cordon adapté de dialogue.
Il peut toutefois être utilisé avec d'autres émetteurs, en mode manuel, grâce aux touches AUTO/THRU, TUNE et BAND +/-.
Quelques photographies:

Retour page radio.
Retour page d'accueil principale.
F4EZC
[email protected]
|